Giesse Hinge - Flash Base - European Chamber Aluminium
Hinge suitable for profiles of the CE European Chamber type
Ambidextrous hinge for open joint aluminum windows and doors.
Giesse Flash Base Hinge FUNCTIONS:
It has the same reliability and precision requirements as traditional Giesse hinges and is applied extremely quickly to the window, even if the latter is already assembled.
Giesse Flash Base Hinge FINISHES:
Silver, Bronze, Polished Brass, Satin Chromed Brass, White Ral 9010, Ivory Ral 1013, Black Ral 9005.
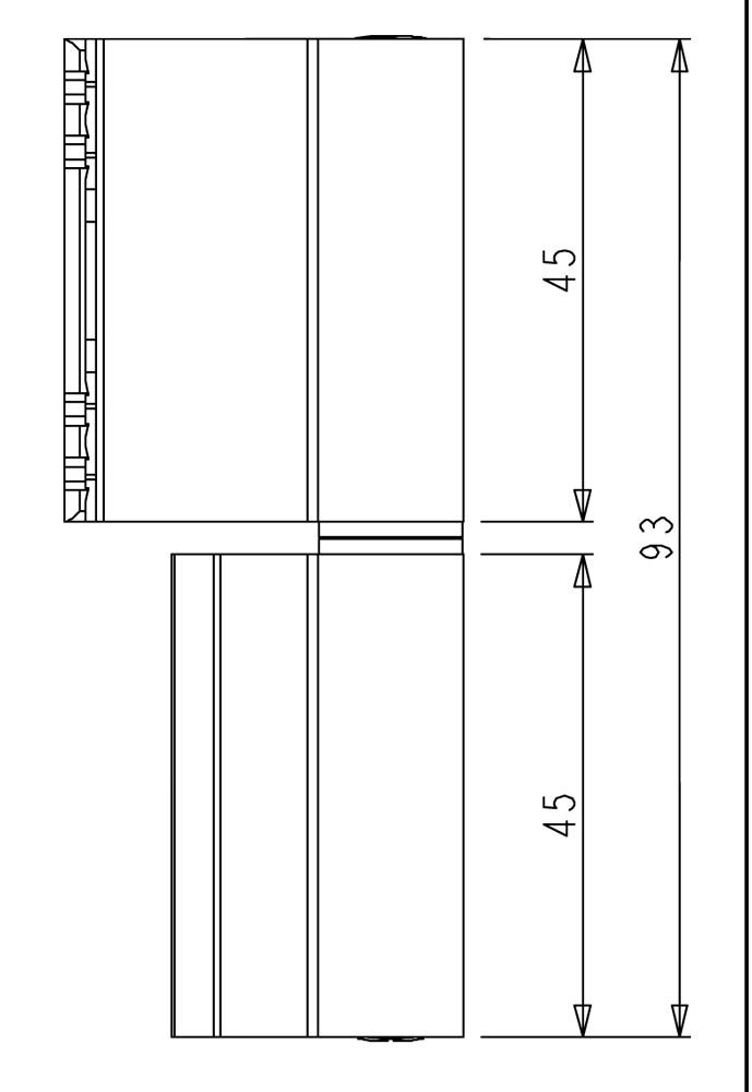
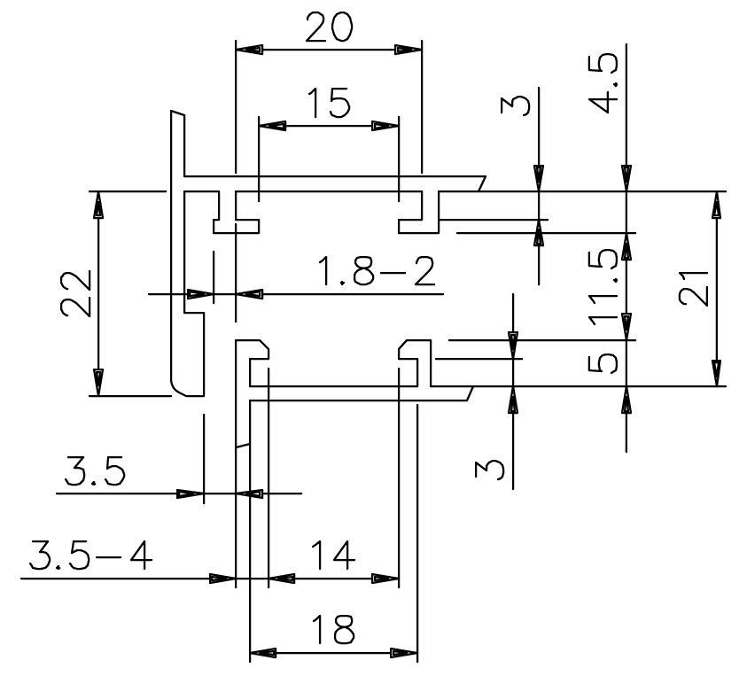
TECHNICAL FEATURES Giesse Flash Base hinge for CE:
The Flash Base hinge is supplied pre-assembled and adopts the Giesse-Rapid fixing system.
The particular conformation of the hinge and the plate allow a practical and rapid assembly on the already assembled frame and a perfect positioning of the hinge during the fixing of the screws.
EQUIPMENT:
- 2 anchor plates
- 4 TGS M5x10 cross cut screws
MATERIALS:
- Extruded aluminum hinge
- Pin, screws and plates in stainless steel
- Bushings in black nylon
CAPACITIES (considered on frames with a height of 2000 mm and a width of 1000 mm):
- with 2 Flash Base hinges: kg 75
- with 3 Flash Base hinges: kg 85
NOTE: For a complete knowledge of the characteristics of the Giesse Flash Base hinge, we recommend reading the PDFs that can be downloaded in this product sheet under the heading "Documents".
In particular
, we recommend reading the document "Nodes Type Swing C" where the nodes and series/systems to which this article is adapted are described .