Third meeting Giesse Closing EC Series Double Silver Plus Silver Plus Series EC (European Chamber)
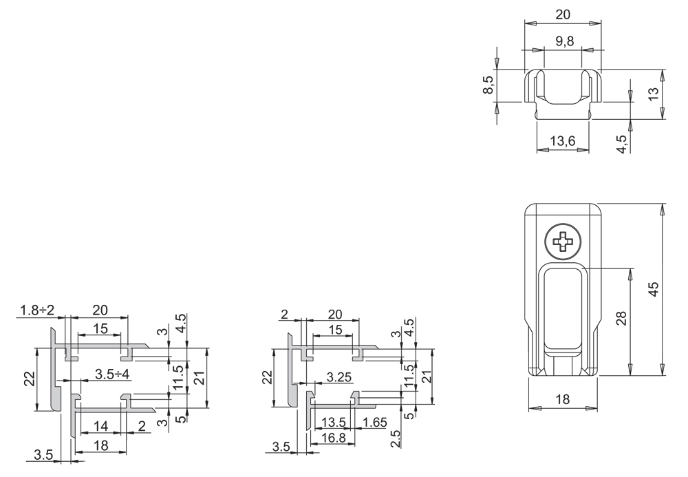
FEATURES Designed to be applied on the top and bottom of the frame of fixtures to one or more wings with the function of receiving the ferrules of the bolts and the terminals Giesse, or the operating rods appropriately shaped.
TECHNICAL FEATURES Specific to be applied on looms.
Quick Fixing achieved through cam plate and screw.
It can be used as a third closing, using the appendix drawn on the blocks connecting Cremonese or in combination with additional locking pins.
Dimensioned to receive the terminals operated by Cremona and bolts Giesse.